Ttalk.info
Home
Tech Index
Picture This
Autojumble
Car Lists
Site Search
The53
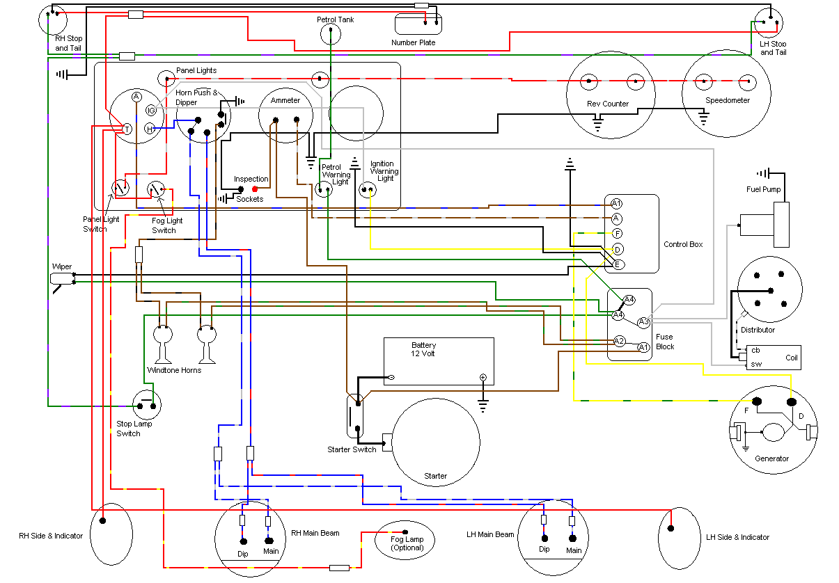
TD Wiring without Turn Signals
from Dave Runnings
Return to TD Wiring Diagrams
(508) 746-6735
email to:Bud@Ttalk.info
URL:http://www.ttalk.info/TDWiringWithoutTurnSignals.htm